STRUČNI SAVJET
od 9 do 17 sati
Nema proizvoda
*265 280
Novi proizvod
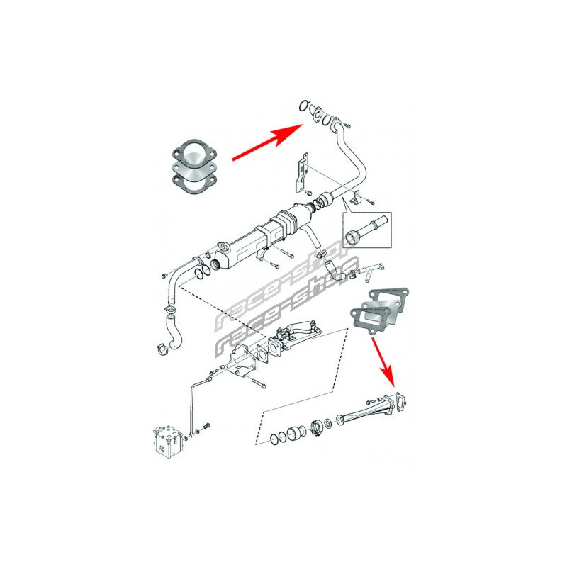
RS-EGR_DEL085

Čep za uklanjanje EGR-a s brtvama pogodnim za SCANIA PGRT DC9, DC12, DT12, D9
Komplet za uklanjanje EGR-a koji se koristi za brisanje EGR ventila originalne opreme (OE).Pošaljite pitanje ovoj trgovini.
* Obavezna polja
ili Otkaži

Čep za uklanjanje EGR-a s brtvama pogodnim za SCANIA PGRT DC9, DC12, DT12, D9
Ako želite biti obaviješteni o dostupnosti proizvoda putem emaila, ispunite obrazac.
* obavezni podaci
ili Otkazati
EGR ventil smanjuje sadržaj štetnih tvari u ispušnim plinovima omogućujući vam određivanje količine dimnih plinova u usisu. Međutim, dizel ulje je jako masno, a EGR je često blokiran, posljedično smanjena prohodnost cijelog usisnog trakta motora. Postoji smanjenje performansi i povećanje dima.
Prijave:
Scania P, G, R, T - series (Concrete mixer) G 340, P 340, R 340 (DC 12.10) 11700ccm 340HP / 250kW 2004/04- drive: Two or more axles 9835 (Concrete mixer) G 380, P 380, R 380 (DC 12.13 DC 12.17 DC 12.18) 11700ccm 380HP / 279kW 2004/04 - drive: Two or more axles 9836 (Tractor) G 230, P 230 (DC 9.30 DC 9.35) 9300ccm 230HP / 169kW 2007/09 - drive : For two or more axles 9693 (Tractor) G 230, P 230 (DC 9.30 DC 9.35) 9300ccm 230HP / 169kW 2007/09- drive: Rear axle 20717 (Tractor) G 230, P 230 (DC 9.30 DC 9.35 ) 9300ccm 230HP / 169kW 2007/09- drive: On the rear axle 9689 (Tractor) G 230, P 230 (DC 9.30 DC 9.35) 9300ccm 230HP / 169kW 2007/09- drive: On the rear axle 9691 (Tractor) G 340, R 340 (DC 12.10) 11700ccm 340HP / 250kW 2006/08- drive: On the rear axle 9720 (Tractor unit) G 380, P 380 (DC 12.13 DC 12.17) 11700ccm 380HP / 279kW 2004/04 - drive: two or more axles 9924 (tractor unit) G 380, P 380, R 380 (DC 12.13 DC 12.17 DC 12.18) 11700ccm 380HP / 280kW 2004/04- drive: rear axle 9759 (Tractor unit) G 380, P 380, R 380 (DC 12.13 DC 12.17 DC 12.18) 11716ccm 379HP / 279kW 2008/03 - drive: On the rear axle 9760 (Tractor) G 380, P 380, R 380 (DC 12.13) 11700ccm 380HP / 279kW 2004 / 04- drive: rear axle 9873 (tractor unit) G 420 (DC 12.06) 11700ccm 420HP / 309kW 2004/03 - drive: two or more axles 9937 (Tractor) G 420, P 420, R 420 (DC 12.06 DC 12.14 DC 12.15 DC 12.22 DT 12.11 DT 12.12) 11716ccm 420HP / 309kW 2004/03 - drive: Rear axle 7868 (Tractor) G 420, R 420 ( DC 12.14 DC 12.15 DT 12.11 DT 12.12) 11716ccm 420HP / 309kW 2008/01- drive: On two or more axles 9765 (Tractor truck) G 440, R 440 (DT 12.18) 11716ccm 440HP / 324kW 2007/01- drive: On the rear axle 18862 (Tractor) G 440, R 440 (DT 12.18) 11716ccm 440HP / 324kW 2008/01 - drive: Two or more axles 18881 (Tractor) G 440, R 440 (DT 12.18) 11716ccm 440HP / 324kW 2008 / 01- drive: on the rear axle 18879 (tractor unit) G 470, P 470, R 470 (DT 12.06) 11716ccm 470HP / 345kW 2005/09- drive: on two or more axles 9705 (Tractor) G 480, R 480 (DT 12.17) 11716ccm 480HP / 353kW 2006/08- drive: On the rear axle 9764 (Tractor unit) G 480, R 480 (DT 12.17) 11716ccm 480HP / 353kW 2008/01 - drive: Two or more axles 9766 (Tractor) G 480, R 480 (DT 12.17) 11716ccm 480HP / 353kW 2008/03 - drive: Rear axle 9758 (Tractor) P 230 (DC 9.13 DC 9.16) 8867ccm 230HP / 169kW 2004 / 09- drive: rear axle 9921 (tractor unit) P 230, R 230 (DC 9.13 DC 9.16) 8867ccm 230HP / 169kW 2004 / 09- drive: rear axle 8312 (tractor unit) P 230, R 230 (DC 9.16 ) 8867ccm 230HP / 169kW 2005/09 - drive: on the rear axle 9869 (Tractor) P 230, R 230 (DC 9.16) 8867ccm 230HP / 169kW 2005/09 - drive: on the rear axle 9876 (Tractor) P 270, R 270 (DC 9.12 DC 9.17) 8867ccm 270HP / 198kW 2004/09 - drive: On the rear axle 9732 (Tractor unit) P 270, R 270 (DC 9.17) 8867ccm 269HP / 198kW 2004/04 - drive: rear axle 9870 (tractor unit) P 270, R 270 (DC 9.17) 8867ccm 269HP / 198kW 2004/04- drive: rear axle 9877 (tractor unit) P 310 (DC 9.18) 8867ccm 310HP / 228kW 2004/04 - drive: two or more axles 9941 (tractor unit) P 310, R 310 (DC 9.11 DC 9.18) 8867ccm 310HP / 228kW 2004/09 - drive: rear axle 9733 (tractor unit) P 310, R 310 (DC 9.18 ) 8867ccm 310HP / 228kW 2004/04 - drive: rear axle 9871 (Tractor) P 310, R 310 (DC 9.18) 8867ccm 310HP / 228kW 2004/04 - drive: rear axle 9878 (Tractor) P 340 (DC 12.10) 11700ccm 340HP / 250kW 2004/04 - drive: Two or more axles 9849 (Tractor unit) P 340 (DC 12.10) 11700ccm 340HP / 250kW 2004/04 - drive: Two or more axle 9851 (Tractor) P 340, R 340 (DC 12.10) 11700ccm 340HP / 250kW 2004/04 - drive: For the rear axle 9872 (Tractor) P 340, R 340 (DC 12.10) 11700ccm 340HP / 250kW 2006/08 - drive: on the rear axle 9721 (tractor unit) P 340, R 340 (DC 12.10) 11700ccm 340HP / 250kW 2006 / 10- drive: on the rear axle 9730 (tractor unit) P 360 (DC 09.112) 9300ccm 360HP / 265kW 2010/04 - drive: on the rear axle 18117 (tractor unit) P 380 (DC 12.13 DC 12.17) 11700ccm 380HP / 279kW 2004/04 - drive: two or more axles 9850 (Tractor) P 380 (DC 12.17) 11716ccm 379HP / 279kW 2004/04 - drive: Two or more axles 9939 (Tractor) P 380, R 380 (DC 12.13 DC 12.17 DC 12.18) 11700ccm 380HP / 280kW 2006/10 - drive: on the rear axle 9731 (tractor unit) P 380, R 380 (DC 12.13 DC 12.18) 11700ccm 380HP / 280kW 2006/10 - drive: on the rear axle 9722 ( tractor unit) P 380, R 380 (DC 12.17 DC 12.18) ) 11716ccm 379HP / 279kW 2004/04 - drive: On the rear axle 9874 (Tractor) P 380, R 380 (DC 12.18) 11716ccm 380HP / 279kW 2004/04 - drive: On the rear axle 9879 (Tractor) P 420, R 420 (DC 12.06 DC 12.14 DC 12.15 DC 12.22 DT 12.11 DT 12.12 DT 12.14) 11716ccm 420HP / 309kW 2004/03 - drive: Rear axle 9754 (Tractor) P 420, R 420 (DC 12.06 DC 12.14 DC 12.15 DC 12.23 DT 12.11 DT 12.12) 11716ccm 420HP / 309kW 2004/04 - drive: Rear axle 9772 (Tractor unit) P 420, R 420 (DC 12.14 DC 12.15 DC 12.22 DT 12.11 DT 12.12) 11716ccm 420HP / 309kW 2004/03 - drive: On the rear axle 9854 (Tractor) P 420, R 420 (DC 12.14 DC 12.15 DC 12.22 DT 12.11 DT 12.12) 11716ccm 420HP / 309kW 2006/08 - drive: On the rear axle 9723 (Tractor) P 420, R 420 (DC 12.14 DC 12.15 DT 12.11) 11716ccm 420HP / 309kW 2004/03 - drive: On two or more axles 9853 (Tractor) P 470, R 470 ( DT 12.03 DT 12.06) 11716ccm 470HP / 345kW 2004/03 - drive: rear axle 7869 (Tractor) P 480, R 480 (DT 12.17) 11716ccm 480HP / 353kW 2004/04 - drive: rear axle 9855 (Tractor) P 480, R 480 (DT 12.17) 11716ccm 480HP / 353kW 2004/04 - drive: On the rear axle 9875 (Tractor unit) R 340 (DC 12.10) 11700ccm 340HP / 250kW 2006/08 - drive: On the rear axle 12257 (Tractor unit) R 470 (DT 12.03 DT 12.06) 11716ccm 469HP / 345kW 2004/03 - drive: On the rear axle 9901 (Tractor unit) R 470 (DT 12.03 DT 12.06) 11716ccm 469HP / 345kW 2004/04 - drive: On rear axle 9771 (Tractor unit) R 470 (DT 12.03 DT 12.06) 11716ccm 470HP / 345kW 2004/03 - drive: On the rear axle 9856 (Tractor unit) R 470 (DT 12.03 DT 12.06) 11716ccm 470HP / 345kW 2004 / 04- drive : For the rear axle 9763 (Tractor) R 470 (DT 12.03 DT 12.06) 11716ccm 470HP / 345kW 2004/04 - drive: For the rear axle 9773 (Tractor) R 480 (DT 12.17) 11716ccm 480HP / 353kW 2004/04 - drive: On the rear axle 9860 (Platform / chassis) G 230 (DC 9.16) 8867ccm 230HP / 169kW 2007/09 - drive: On the rear axle 9830 ( Platform / Chassis) G 230, P 230 (DC 9.13 DC 9.16) 8867ccm 230HP / 169kW 2006/08- Drive: Rear axle 9739 (Platform / Chassis) G 230, P 230 (DC 9.30 DC 9.35 DC 9.39) 9300ccm 230HP / 169kW 2007/09- drive: Rear axle 20815 (Platform / chassis) G 230, P 230 (DC 9.30 DC 9.35 DC 9.39) 9300ccm 230HP / 169kW 2007/09- drive: Rear axle 9688 (Platform / chassis) G 230 , P 230 (DC 9.30 DC 9.35 DC 9.39) 9300ccm 230HP / 169kW 2007/09- drive: For the rear axle 9690 (Platform / Chassis) G 230, P 230 (DC 9.30 DC 9.35 DC 9.39) 9300ccm 230HP / 169kW 2009/07- Drive: Rear axle 17982 (Platform / Chassis) G 230, P 230 (DC 9.30 DC 9.35) 9300ccm 230HP / 169kW 2007 / 09- drive: Two or more axles 9692 (Platform / Chassis) G 270, P 270 (DC 9.12 DC 9.17) 8867ccm 270HP / 198kW 2004/04- Drive: Rear axle 9808 (Platform / Chassis) G 270, P 270, R 270 (DC 9.12 DC 9.17) 8867ccm 270HP / 198kW 2004 / 09- drive: On the rear axle 9737 (Platform / chassis) G 310, P 310 (DC 09.110) 9300ccm 310HP / 228kW 2009/07- drive : For the rear axle 18184 (Platform / Chassis) G 310, P 310 (DC 09.110) 9300ccm 310HP / 228kW 2012/01 - drive: For the rear axle 18892 (Platform / Chassis) G 310, P 310 (DC 9.11 DC 9.18) 8867ccm 310HP / 228kW 2004/09 - Drive: Rear 9738 (Platform / Chassis) G 310, P 310 (DC 9.11 DC 9.18) 8867ccm 310HP / 228kW 2004 / 09- drive: On the rear axle 9809 (Platform / chassis) G 340, P 340 (DC 12.10 DC 12.26) 11700ccm 340HP / 250kW 2004/08- drive: Two or more axles 9813 (Platform / chassis) G 340, P 340 (DC 12.10) 11700ccm 340HP / 250kW 2004/04 - drive: Two or more axles 9824 (Platform / chassis) G 340, P 340, R 340 (DC 12.10) 11700ccm 340HP / 250kW 2004/04 - drive: On rear axle 9794 (platform / chassis) G 340, P 340, R 340 (DC 12.10) 11700ccm 340HP / 250kW 2004/04 - drive: For the rear axle 9816 (Platform / Chassis) G 380, P 380 (DC 12.13 DC 12.17 DC 12.18) 11700ccm 380HP / 279kW 2004/04 - Drive: Rear axle 9916 (Platform / Chassis) G 380, P 380, R 380 (DC 12.13 DC 12.17 DC 12.18 DC 12.24) 11700ccm 379HP / 279kW 2004 / 08- drive: Two or more axles 9812 (Platform / chassis) G 380, P 380, R 380 (DC 12.13 DC 12.17 DC 12.18) 11700ccm 380HP / 280kW 2005 / 09- drive: two or more axles 9695 (platform / chassis) G 380, P 380, R 380 (DC 12.13 DC 12.18) 11700ccm 380HP / 280kW 2004/04- drive: rear axle 9817 (platform / chassis) G 420, P 420, R 420 (DC 12.06 DC 12.14 DC 12.15 DC 12.22 DT 12.11 DT 12.12) 11716ccm 420HP / 309kW 2004/03 - drive: Rear axle 9785 (Platform / Chassis) G 420, P 420, R 420 (DC 12.06 DC 12.14 DC 12.15 DT 12.12) 11716ccm 420HP / 309kW 2004/09 - Drive: Rear axle 8307 (Platform / Chassis) G 420, R 420 (DC 12.14 DC 12.15 DC 12.22 DT 12.11 DT 12.12) 11716ccm 420HP / 309kW 2008/01 - drive: Rear axle 9727 (Platform / chassis) G 470, R 470 (DT 12.03 DT 12.06) 11716ccm 470HP / 345kW 2004/03 - drive: Na rear axle 9790 (Platform / Chassis) G 480, R 480 (DT 12.17) 11716ccm 480HP / 353kW 2008/01 - Drive: Two or more axles 18112 (Platform / Chassis) G 480, R 480 (DT 12.17) 11716ccm 480HP / 353kW 2008 / 01- drive: On the rear axle 9769 (Platform / chassis) P 230 (DC 9.13 DC 9.16) 8867ccm 230HP / 169kW 2006/04- drive: On the rear axle 9743 (Platform / Chassis) P 230 (DC 9.13 DC 9.16) 8867ccm 230HP / 169kW 2007/09 - drive: Two or more axles 10057 (Platform / Chassis) P 230 (DC 9.13 DC 9.16) 8867ccm 230HP / 169kW 2007 / 09- drive: rear axle 9807 (platform / chassis) P 230 (DC 9.30 DC 9.35 DC 9.39) 9300ccm 230HP / 169kW 2009/07- drive: rear axle 17984 (platform / chassis) P 230 (DC 9.30 DC 9.39) 9300ccm 230HP / 169kW 2007 / 09- drive: rear 18183 (platform / chassis) P 230 (DC 9.39) 9300ccm 230HP / 169kW 2012/08- drive: rear axle 17983 (platform / chassis) P 230 9000ccm 230HP / 169kW 2004 / 04- drive: rear axle 9862 (platform / chassis) P 230, R 230 (DC 9.13 DC 9.16) 8867ccm 230HP / 169kW 2004/09- drive: rear axle 8289 (Platform / Chassis) P 230, R 230 (DC 9.13 DC 9.16) 8867ccm 230HP / 169kW 2006/08- Drive: Rear axle 9740 (Platform / Chassis) P 250 (DC 09.109 DC 09.111) 9300ccm 250HP / 184kW 2010/01 - drive: rear axle 17829 (platform / chassis) P 250 (DC 09.109 DC 09.111) 9300ccm 250HP / 184kW 2012/01 - drive: two or more axles 17908 (platform / chassis) P 250 (DC 09.109 DC 09.111) 9300ccm 250HP / 184kW 2012 / 08- drive: On the rear axle 17832 (Platform / Chassis) P 250 (DC 09.109) 9300ccm 250HP / 184kW 2012/01- drive: Two or more axles 18876 (Platform / chassis) P 250 (DC 09.109 ) 9300ccm 250HP / 184kW 2012/01 - drive: the rear axle 18877 (Platform / Chassis) P 250 (DC 09.111) 9300ccm 250HP / 184kW 2013/09 - drive: On the rear axle 17837 (Platform / chassis) P 260 (OSC 11.03) 11020ccm 260HP / 191kW 2004/04 - drive: On the rear axle 9865 (Platform / Chassis) P 260 9000ccm 260HP / 191kW 2004/04 - drive: On the rear axle 9863 (Platform / chassis) P 270 (DC 09.E02) 9300ccm 250HP / 198kW 2012/01 - drive: Two or more axles 18865 (Platform / Chassis) P 270 (DC 9.12) 8867ccm 270HP / 198kW 2004/09 - drive: On the rear axle 7977 (Platform / chassis) P 270 (DC 9.17) 8867ccm 270HP / 198kW 2006/04 - drive: On the rear axle 9744 (Platform / Chassis) P 270, R 270 (DC 9.12 DC 9.17) 8867ccm 270HP / 198kW 2006/08- drive: Rear axle 9741 (Platform / Chassis) P 280 (DC 09.113 DC 9.29 DC 9.36 DC 9.38) 9300ccm 280HP / 206kW 2009/07- Drive: Rear 17834 (Platform / Chassis) P 280 (DC 09.113 DC 9.29 DC 9.36 DC 9.38) 9300ccm 280HP / 206kW 2012 / 08- drive: On the rear axle 17833 (Platform / Chassis) P 280 (DC 09.113 DC 9.29 DC 9.36 DC 9.38) 9300ccm 280HP / 206kW 2013 / 09- Drive: On the rear axle 17838 (Platform / Chassis) P 280 (DC 09.113 DC 9.29 DC 9.38) 9300ccm 280HP / 206kW 2013 / 09- drive: Two or more axles 17909 (Platform / chassis) P 280 (DC 9.29 DC 9.36 DC 9.38) 9300ccm 280HP / 206kW 2009/07- drive: On rear axle 17988 (Platform / Chassis) P 280 (DC 9.29) 9300ccm 280HP / 206kW 2004/04 - drive: For the rear axle 10184 (Platform / Chassis) P 300 9000ccm 300HP / 220kW 2004/04 - Drive: Rear axle 9864 (Platform / Chassis) P 310 (DC 09.110) 9300ccm 310HP / 228kW 2003/01 - Drive: Two or more axles 18875 (Platform / chassis) P 310 (DC 09.110) 9300ccm 310HP / 228kW 2003/01 - drive: rear 18878 (platform / chassis) P 310 (DC 09.110) 9300ccm 310HP / 228kW 2012/08 - drive: rear 17990 (platform / chassis) P 310 (DC 9.18) 8867ccm 310HP / 228kW 2006/04 - drive: On the rear axle 9745 (Platform / chassis) P 310, R 310 (DC 9.11 DC 9.18) 8867ccm 310HP / 228kW 2004/09 - drive: On rear axle 8290 (platform / chassis) P 310, R 310 (DC 9.11 DC 9.18) 8867ccm 310HP / 228kW 2004/09 - drive: For the rear axle 9742 (Platform / Chassis) P 320 (DC 09.108 DC 9.22 DC 9.32 DC 9.37) 9300ccm 320HP / 235kW 2013/01 - Drive: Rear 17830 (Platform / Chassis) P 320 (DC 09.108 DC 9.22 DC 9.32 DC 9.37) 9300ccm 320HP / 235kW 2013 / 09- Drive: Rear 17839 (Platform / Chassis) P 320 (DC 09.108 DC 9.22 DC 9.37) 9300ccm 320HP / 235kW 2012/08- Drive: Rear 17835 (Platform / Chassis) P 320 (DC 09.108 DC 9.37) 9300ccm 320HP / 235kW 2013/09 - drive: Two or more axles 17910 (Platform / chassis) P 320 (DC 9.22 DC 9.32 DC 9.37) 9300ccm 320HP / 235kW 2009/07 - drive: Rear axle 17989 ( Platform / chassis) P 340 (DC 12.10) 11700ccm 340HP / 250kW 2004/04 - drive: Two or more axles 9944 (Platform / Chassis) P 340 (DC 12.10) 11700ccm 340HP / 250kW 2004/04 - drive: On the rear axle 9820 (Platform / chassis) P 340 (DC 12.10) 11700ccm 340HP / 250kW 2004/04 - drive: On the rear axle 9828 (Platform / Chassis) P 340 (DC 12.10) 11700ccm 340HP / 250kW 2004/04 - drive: On the rear axle 9840 (Platform / chassis) P 340 (DC 12.10) 11700ccm 340HP / 250kW 2006/10 - drive: On the rear axle 9728 (Platform / Chassis) P 340, R 340 (DC 12.10) 11700ccm 340HP / 250kW 2004/04 - drive: Two or more axles 9803 (Platform / chassis) P 340, R 340 (DC 12.10) 11700ccm 340HP / 250kW 2004 / 04- drive: rear axle 9800 (platform / chassis) P 360 (DC 09.112) 9300ccm 360HP / 265kW 2013 / 09- drive: two or more axles 17911 (Platform / Chassis) P 360 (DC 09.112) 9300ccm 360HP / 265kW 2013 / 09- Drive: Rear 17831 (Platform / Chassis) P 360 (DC 09.112) 9300ccm 360HP / 265kW 2013/09- Drive: Rear 17836 (Platform / Chassis) P 360 (DC 09.112) 9300ccm 360HP / 265kW 2013 / 09- Drive: Rear 17840 (Platform / Chassis) P 380 (DC 12.13 DC 12.17 DC 12.18) 11700ccm 381HP / 280kW 2006 / 10- Drive: Rear axle 9729 (Platform / Chassis) P 380 (DC 12.13 DC 12.17 DC 12.18) 11716ccm 379HP / 279kW 2004/04 - drive: Two or more axles 9938 (Platform / chassis) P 380 (DC 12.13 DC 12.18) 11700ccm 379HP / 279kW 2004 / 04- drive: on the rear axle 9821 (platform / chassis) P 380 (DC 12.13) 11700ccm 380HP / 280kW 2004/04- drive: on the rear axle 9829 (Platform / Chassis) P 380 (DC 12.13) 11700ccm 380HP / 280kW 2005/09- drive: Two or more axles 9697 (Platform / chassis) P 380 (DC 12.13) 11700ccm 380HP / 280kW 2005/09- drive: Rear Axle 9694 (Platform / Chassis) P 380, R 380 (DC 12.13 DC 12.17 DC 12.18) 11700ccm 380HP / 280kW 2005/09 - Drive: Rear 9698 (Platform / Chassis) P 380, R 380 (DC 12.13 DC 12.18) 11700ccm 380HP / 279kW 2004/04 - drive: Two or more axles 9804 (Platform / chassis) P 380, R 380 (DC 12.13) 11700ccm 380HP / 280kW 2005/09 - drive: Two or more axles 9696 (Platform / chassis ) P 380, R 380 (DC 12.18) 11716ccm 379HP / 279kW 2004/04 - drive: rear axle 9866 (Platform / Chassis) P 420 (DT 12.12 DT 12.14) 11716ccm 420HP / 309kW 2005/09 - Drive: Rear axle 20718 (Platform / Chassis) P 420, R 420 (DT 12.12 DT 12.14) 11716ccm 420HP / 309kW 2005/09 - drive: on the rear axle 9701 (platform / chassis) P 480, R 480 (DT 12.17) 11716ccm 480HP / 353kW 2010/0/04 - drive: two or more axles 18116 (platform / chassis) R 380 (DC 12.13 DC 12.18) 11700ccm 380HP / 280kW 2004/04 - drive: On the rear axle 9795 (Platform / Chassis) R 380 (DC 12.13 DC 12.18) 11716ccm 380HP / 280kW 2010/04 - drive: On the rear axle 12458 (Platform / Chassis) R 420 (DC 12.14 DC 12.15 DC 12.22 DT 12.11 DT 12.12) 11716ccm 420HP / 309kW 2004/03 - drive: For the rear axle 9788 (Platform / Chassis) R 420 (DC 12.14 DC 12.15 DC 12.22 DT 12.11 DT 12.12) 11716ccm 420HP / 309kW 2004/03 - Drive: Rear 9925 (Platform / Chassis) R 420 (DT 12.11) 11716ccm 420HP / 309kW 2004 / 03- drive: Two or more axles 9949 (platform / chassis) R 470 (DT 12.03 DT 12.06) 11716ccm 469HP / 345kW 2004/03- drive: rear axle 20721 (platform / chassis) R 470 (DT 12.03 DT 12.06) 11716ccm 469HP / 345kW 2004/03 - drive: On the rear axle 9839 (Platform / Chassis) R 470 (DT 12.03 DT 12.06) 11716ccm 469HP / 345kW 2004/03 - drive: On the rear axle 9930 (Platform / Chassis) R 470 (DT 12.03 DT 12.06) 11716ccm 470HP / 345kW 2004 / 03- drive: For the rear axle 9791 (Platform / Chassis) R 480 (DT 12.17) 11716ccm 480HP / 353kW 2004/04 - Drive: Rear 20720 (Platform / Chassis) R 480 (DT 12.17) 11716ccm 480HP / 353kW 2004/04 - Drive: Rear 9786 (Platform / Chassis) R 480 (DT 12.17) 11716ccm 480HP / 353kW 2004/04 - Drive: Rear 9787 (Platform / Chassis) R 480 (DT 12.17) 11716ccm 480HP / 353kW 2004/04 - Drive: Rear 9789 (Platform / Chassis) R 480 (DT 12.17) 11716ccm 480HP / 353kW 2004/04 - Drive: Rear axle 9931 (Platform / Chassis) R 480 (DT 12.17) 11716ccm 480HP / 353kW 2010/04 - Drive: Rear axle 18115 (Tipper) G 340, P 340 (DC 12.10) 11700ccm 340HP / 250kW 2004/04 - drive: Two or more axles 9843 (Tipper) G 340, P 340, R 340 (DC 12.10) 11700ccm 340HP / 250kW 2004/04- drive: Two or more axles 9844 (Tipper) G 380, P 380 (DC 12.13 DC 12.17 DC 12.18) 11700ccm 380HP / 279kW 2004/04 - drive: Two or more axles 9841 (Tipper) G 380, P 380, R 380 (DC 12.13 DC 12.17 DC 12.18) 11700ccm 380HP / 279kW 2004/04 - drive: Two or more axles 9845 (Tipper ) G 420, P 420, R 420 (DC 12.06 DC 12.14 DC 12.15 DC 12.22 DT 12.11 DT 12.12) 11716ccm 420HP / 309kW 2005/09- drive: Two or more axles 9699 (Tipper) G 420, R 420 (DT 12.12 ) 11716ccm 420HP / 309kW 2008/01- drive: Two or more axles 9767 (Tipper) G 470 (DT 12.06) 11716ccm 470HP / 345kW 2010/01- drive: Two or more axles 18869 (Tipper) G 470 (DT 12.06) 11716ccm 470HP / 345kW 2010/01- drive: Two or more axles 18872 (Tipper) G 480, R 480 (DT 12.17) 11716ccm 480HP / 353kW 2004/04 - drive: Two or more more axles 9902 (Tipper) G 480, R 480 (DT 12.17) 11716ccm 480HP / 353kW 2008/01- drive: Two or more axles 9768 (Tipper) P 230 (DC 9.13 DC 9.16) 8867ccm 230HP / 169kW 2008 / 01- drive: on the rear axle 9734 (Tipper) P 230 (DC 9.35 DC 9.39) 9300ccm 230HP / 169kW 2009/07- drive: on the rear axle 17991 (Tipper) P 250 (DC 09.111) 9300ccm 250HP / 184kW 2013 / 09- drive: On the rear axle 17912 (Tipper) P 270 (DC 9.12 DC 9.17) 8867ccm 269HP / 198kW 2006/08- drive: Two or more axles 9746 (Tipper) P 270 (DC 9.12 DC 9.17) 8867ccm 270HP / 198kW 2004/04 - drive: Rear axle 9735 (Tipper) P 280 (DC 09.113 DC 9.29 DC 9.36 DC 9.38) 9300ccm 280HP / 206kW 2009/07 - drive: Rear axle 17913 (Tipper) P 280 (DC 9.29 DC 9.38) 9300ccm 280HP / 206kW 2009/07- drive: Two or more axles 17992 (Tipper) P 310 (DC 9.11 DC 9.18) 8867ccm 310HP / 228kW 2006/08 - drive: for two or more axles 9747
Zamjenski dio / OEM kodovi / Napomena proizvođača:
-
Ova je rasprava namijenjena razmjeni informacija između kupaca. Za pitanja koja se tiču vaše narudžbe, dostupnosti, obratite se našem timu za podršku.
| Marka | Model | Motor |
|---|---|---|
| Scania | G 230, P 230 | G 230, P 230 (DC 9.13 DC 9.16) 8867ccm 230HP / 169kW 2006/08 |
| Scania | G 230, P 230 | G 230, P 230 (DC 9.30 DC 9.35) 9300ccm 230HP / 169kW 2007/09 - drive : For two or more axles 9693 |
| Scania | G 270, P 270, R 270 | G 270, P 270, R 270 (DC 9.12 DC 9.17) 8867ccm 270HP / 198kW 2004 / 09 |
| Scania | G 310, P 310 | G 310, P 310 (DC 9.11 DC 9.18) 8867ccm 310HP / 228kW 2004 / 09 |
| Scania | G 340, P 340, R 340 | G 340, P 340, R 340 (DC 12.10) 11700ccm 340HP / 250kW 2004/04 |
| Scania | G 340, P 340 | G 340, P 340 (DC 12.10 DC 12.26) 11700ccm 340HP / 250kW 2004/08 |
| Scania | G 380, P 380, R 380 | G 380, P 380, R 380 (DC 12.13 DC 12.17 DC 12.18) 11700ccm 380HP / 279kW 2004/04 |
| Scania | G 380, P 380 | G 380, P 380 (DC 12.13 DC 12.17 DC 12.18) 11700ccm 380HP / 279kW 2004/04 |
| Scania | G 420, P 420, R 420 | G 420, P 420, R 420 (DC 12.06 DC 12.14 DC 12.15 DC 12.22 DT 12.11 DT 12.12) 11716ccm 420HP / 309kW 2004/03 |
| Scania | G 440, R 440 | G 440, R 440 (DT 12.18) 11716ccm 440HP / 324kW 2008/01 |
| Scania | G 470, P 470, R 470 | G 470, P 470, R 470 (DT 12.06) 11716ccm 470HP / 345kW 2005/09 |
| Scania | G 470, R 470 | G 470, R 470 (DT 12.03 DT 12.06) 11716ccm 470HP / 345kW 2004/03 |
| Scania | G 470 | G 470 (DT 12.06) 11716ccm 470HP / 345kW 2010/01 |
| Scania | G 480, R 480 | G 480, R 480 (DT 12.17) 11716ccm 480HP / 353kW 2004/04 |
| Scania | G 480, R 480 | G 480, R 480 (DT 12.17) 11716ccm 480HP / 353kW 2006/08 |
| Scania | G 480, R 480 | G 480, R 480 (DT 12.17) 11716ccm 480HP / 353kW 2008/01 |
| Scania | P 230, R 230 | P 230, R 230 (DC 9.13 DC 9.16) 8867ccm 230HP / 169kW 2004/09 |
| Scania | P 230, R 230 | P 230, R 230 (DC 9.13 DC 9.16) 8867ccm 230HP / 169kW 2006/08 |
| Scania | P 230 | P 230 (DC 9.13 DC 9.16) 8867ccm 230HP / 169kW 2006/04 |
| Scania | P 230 | P 230 (DC 9.13 DC 9.16) 8867ccm 230HP / 169kW 2007 / 09 |
| Scania | P 230 | P 230 (DC 9.13 DC 9.16) 8867ccm 230HP / 169kW 2008 / 01 |
| Scania | P 230 | P 230 (DC 9.30 DC 9.35 DC 9.39) 9300ccm 230HP / 169kW 2009/07 |
| Scania | P 230 | P 230 (DC 9.30 DC 9.39) 9300ccm 230HP / 169kW 2007 / 09 |
| Scania | P 230 | P 230 (DC 9.35 DC 9.39) 9300ccm 230HP / 169kW 2009/07 |
| Scania | P 230 | P 230 (DC 9.39) 9300ccm 230HP / 169kW 2012/08 |
| Scania | P 230 | P 230 9000ccm 230HP / 169kW 2004 / 04 |
| Scania | P 250 | P 250 (DC 09.109 ) 9300ccm 250HP / 184kW 2012/01 |
| Scania | P 250 | P 250 (DC 09.109 DC 09.111) 9300ccm 250HP / 184kW 2010/01 |
| Scania | P 250 | P 250 (DC 09.109 DC 09.111) 9300ccm 250HP / 184kW 2012/01 |
| Scania | P 250 | P 250 (DC 09.109 DC 09.111) 9300ccm 250HP / 184kW 2012 / 08 |
| Scania | P 250 | P 250 (DC 09.111) 9300ccm 250HP / 184kW 2013 / 09 |
| Scania | P 260 | P 260 (OSC 11.03) 11020ccm 260HP / 191kW 2004/04 |
| Scania | P 260 | P 260 9000ccm 260HP / 191kW 2004/04 |
| Scania | P 270, R 270 | P 270, R 270 (DC 9.12 DC 9.17) 8867ccm 270HP / 198kW 2004/09 |
| Scania | P 270, R 270 | P 270, R 270 (DC 9.12 DC 9.17) 8867ccm 270HP / 198kW 2006/08 |
| Scania | P 270 | P 270 (DC 09.E02) 9300ccm 250HP / 198kW 2012/01 |
| Scania | P 270 | P 270 (DC 9.12) 8867ccm 270HP / 198kW 2004/09 |
| Scania | P 270 | P 270 (DC 9.12 DC 9.17) 8867ccm 269HP / 198kW 2006/08 |
| Scania | P 270 | P 270 (DC 9.12 DC 9.17) 8867ccm 270HP / 198kW 2004/04 |
| Scania | P 270 | P 270 (DC 9.17) 8867ccm 270HP / 198kW 2006/04 |
| Scania | P 280 | P 280 (DC 09.113 DC 9.29 DC 9.36 DC 9.38) 9300ccm 280HP / 206kW 2009/07 |
| Scania | P 280 | P 280 (DC 09.113 DC 9.29 DC 9.36 DC 9.38) 9300ccm 280HP / 206kW 2012 / 08 |
| Scania | P 280 | P 280 (DC 09.113 DC 9.29 DC 9.36 DC 9.38) 9300ccm 280HP / 206kW 2013 / 09 |
| Scania | P 280 | P 280 (DC 09.113 DC 9.29 DC 9.38) 9300ccm 280HP / 206kW 2013 / 09 |
| Scania | P 280 | P 280 (DC 9.29) 9300ccm 280HP / 206kW 2004/04 |
| Scania | P 280 | P 280 (DC 9.29 DC 9.36 DC 9.38) 9300ccm 280HP / 206kW 2009/07 |
| Scania | P 280 | P 280 (DC 9.29 DC 9.38) 9300ccm 280HP / 206kW 2009/07 |
| Scania | P 300 | P 300 9000ccm 300HP / 220kW 2004/04 |
| Scania | P 310, R 310 | P 310, R 310 (DC 9.11 DC 9.18) 8867ccm 310HP / 228kW 2004/09 |
| Scania | P 310 | P 310 (DC 09.110) 9300ccm 310HP / 228kW 2003/01 |
| Scania | P 310 | P 310 (DC 09.110) 9300ccm 310HP / 228kW 2012/08 |
| Scania | P 310 | P 310 (DC 9.11 DC 9.18) 8867ccm 310HP / 228kW 2006/08 |
| Scania | P 310 | P 310 (DC 9.18) 8867ccm 310HP / 228kW 2006/04 |
| Scania | P 320 | P 320 (DC 09.108 DC 9.22 DC 9.32 DC 9.37) 9300ccm 320HP / 235kW 2013/01 |
| Scania | P 320 | P 320 (DC 09.108 DC 9.22 DC 9.32 DC 9.37) 9300ccm 320HP / 235kW 2013 / 09 |
| Scania | P 320 | P 320 (DC 09.108 DC 9.22 DC 9.37) 9300ccm 320HP / 235kW 2012/08 |
| Scania | P 320 | P 320 (DC 09.108 DC 9.37) 9300ccm 320HP / 235kW 2013/09 |
| Scania | P 320 | P 320 (DC 9.22 DC 9.32 DC 9.37) 9300ccm 320HP / 235kW 2009/07 |
| Scania | P 340, R 340 | P 340, R 340 (DC 12.10) 11700ccm 340HP / 250kW 2004 / 04 |
| Scania | P 340 | P 340 (DC 12.10) 11700ccm 340HP / 250kW 2004/04 |
| Scania | P 340 | P 340 (DC 12.10) 11700ccm 340HP / 250kW 2006/10 |
| Scania | P 360 | P 360 (DC 09.112) 9300ccm 360HP / 265kW 2010/04 |
| Scania | P 360 | P 360 (DC 09.112) 9300ccm 360HP / 265kW 2013 / 09 |
| Scania | P 380, R 380 | P 380, R 380 (DC 12.13) 11700ccm 380HP / 280kW 2005/09 |
| Scania | P 380, R 380 | P 380, R 380 (DC 12.13 DC 12.17 DC 12.18) 11700ccm 380HP / 280kW 2005/09 |
| Scania | P 380, R 380 | P 380, R 380 (DC 12.13 DC 12.18) 11700ccm 380HP / 279kW 2004/04 |
| Scania | P 380, R 380 | P 380, R 380 (DC 12.13 DC 12.18) 11700ccm 380HP / 280kW 2006/10 |
| Scania | P 380, R 380 | P 380, R 380 (DC 12.18) 11716ccm 379HP / 279kW 2004/04 |
| Scania | P 380 | P 380 (DC 12.13 DC 12.17 DC 12.18) 11700ccm 381HP / 280kW 2006 / 10 |
| Scania | P 420, R 420 | P 420, R 420 (DC 12.06 DC 12.14 DC 12.15 DC 12.22 DT 12.11 DT 12.12 DT 12.14) 11716ccm 420HP / 309kW 2004/03 |
| Scania | P 420, R 420 | P 420, R 420 (DT 12.12 DT 12.14) 11716ccm 420HP / 309kW 2005/09 |
| Scania | P 420 | P 420 (DT 12.12 DT 12.14) 11716ccm 420HP / 309kW 2005/09 |
| Scania | P 470, R 470 | P 470, R 470 ( DT 12.03 DT 12.06) 11716ccm 470HP / 345kW 2004/03 |
| Scania | P 480, R 480 | P 480, R 480 (DT 12.17) 11716ccm 480HP / 353kW 2004/04 |
| Scania | P 480, R 480 | P 480, R 480 (DT 12.17) 11716ccm 480HP / 353kW 2010/0/04 |
| Scania | R 340 | R 340 (DC 12.10) 11700ccm 340HP / 250kW 2006/08 |
| Scania | R 380 | R 380 (DC 12.13 DC 12.18) 11700ccm 380HP / 280kW 2004/04 |
| Scania | R 380 | R 380 (DC 12.13 DC 12.18) 11716ccm 380HP / 280kW 2010/04 |
| Scania | R 420 | R 420 (DC 12.14 DC 12.15 DC 12.22 DT 12.11 DT 12.12) 11716ccm 420HP / 309kW 2004/03 |
| Scania | R 420 | R 420 (DT 12.11) 11716ccm 420HP / 309kW 2004 / 03 |
| Scania | R 470 | R 470 (DT 12.03 DT 12.06) 11716ccm 469HP / 345kW 2004/03 |
| Scania | R 470 | R 470 (DT 12.03 DT 12.06) 11716ccm 470HP / 345kW 2004 / 03 |
| Scania | R 480 | R 480 (DT 12.17) 11716ccm 480HP / 353kW 2004/04 |
| Scania | R 480 | R 480 (DT 12.17) 11716ccm 480HP / 353kW 2010/04 |
Komplet za uklanjanje EGR-a koji se...
